



發布日期:2020-05-13
來源:綠建之家裝配式建筑評價標準
《標準》規定: “建筑裝配率不低于50%、采用全裝修、主體結構部分的評價分值不低于20 分、圍護墻和內隔墻部分的評價分值不低于10 分”的建筑為裝配式建筑。并且主體結構豎向構件中預制部品部件的應用比例不低于35%,可進行裝配式建筑等級三級評價(見表1) 。

裝配式建筑的設計程序
裝配式建筑的設計程序分為方案設計、初步設計、施工圖設計3個階段,如圖1所示。

圖1 裝配式建筑設計程序
預制構件設計優先次序
鑒于剪力墻結構在我國的普及性,本文以裝配式剪力墻結構體系為研究對象,通過對我國11項代表性裝配式建筑工程的統計分析,得出裝配式建筑剪力墻結構的外部權重和內部權重,以及評級標準規定的單項構件預制率的最低要求,結合《標準》評分表,剪力墻結構預制構件率最低要求和相應權重如表2所示。

由表2中可知,主體結構部分占比較大,其中 梁、疊合板以及預制非承重外圍護墻對裝配率的貢獻程度最高,承重墻次之,其余次要結構受力構件貢獻率最小。根據現有的裝配式建筑設計經驗,在構件選擇時,除考慮構件占比外,還需結合預制構架的制作、施工工藝和安裝等特點進行綜合考慮。一般來說,預制構件的選擇順序如圖2所示。

圖2 預制構件選擇順序
此外,通過統計分析,得到不同評價等級對應的構件應用比例(如表3) ,因預制構件中梁、板對裝配率影響最大,所以裝配率的變化主要以調整梁、板應用比例為主

構件拆分原則
裝配式建筑構件拆分是設計的關鍵環節,根據《預制預應力混凝土裝配式整體式框架結構技術規程》JGJ224-2010和相關文獻中的規定,對構件的拆分一般遵循“少規格、多組合”的原則,具體規定見表4。
基于裝配率的BIM參數化方案優選設計流程
根據拆分原則,預先確定及預制構件,結合BIM參數化平臺,進行裝配式建筑方案設計。
基本思路是: 首先確定和選中構件圖元,利用BIM提取模型構件參數信息,然后根據各評價項應用比例公式對各項評分( 評分標準見表1) ,利用評分值進行裝配率計算,最后根據裝配率進行等級評價。具體流程如圖3所示。
圖3 BIM參數化設計流程圖
裝配式建筑的設計程序
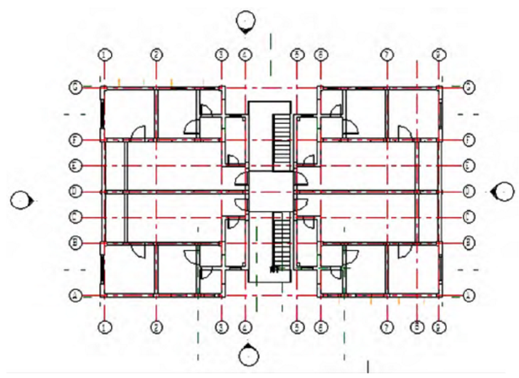
本工程為兩層剪力墻結構住宅,共計4戶,二類建筑,采用65㎡標準化戶型模塊,建筑總面積570.16㎡,共兩層,采用裝配剪力墻結構體系,目標裝配率為78%,AA級裝配式建筑,工程全裝修。圖4為本工程的BIM三維圖。

標準化設計
1.戶型標準化設計
通過歸納整理住宅戶型設計及組合形式,本文戶型設計主要有35㎡、50㎡、65㎡三種標準化戶型,圖5為基于標準化設計的基本戶型平面布置圖。

2.預制構件設計原則
本項目結構設計執行《裝配式混凝土結構技術規程》JGJ1-2014相關規定以及上述的構件拆分原則,其中主體部分結構采用預制剪力墻、疊合板、預制樓梯等預制部品。
3.預制構件選擇順序
本項目預制構件選擇順序為樓梯、女兒墻、疊合板、內墻、剪力墻。
裝配率計算及方案優選
1.裝配率計算
利用BIM對構件進行拆分,拆分界面和拆分部分結果分別如圖6和圖7所示。


圖7 板、墻拆分示意圖
當樓梯、內墻、剪力墻、疊合板、女兒墻等構件分別采用預制構件的情況下,利用BIM通過計算規則計算預制部品部件的應用比例,其應用比例計算結果見表6。

最后通過編寫python評分公式對相關項評分,得出裝配率為58.8%,程序運行的工作空間如圖8所示。

圖8 程序運行空間
2.方案優化
上文計算出的裝配率未達到目標,可將裝配率調整為78%,BIM會按照構件權重比例更改構件應用比例,從而根據應用比例的變化,更改方案設計。項目修改裝配率后,各構件應用比例如表7所示。
